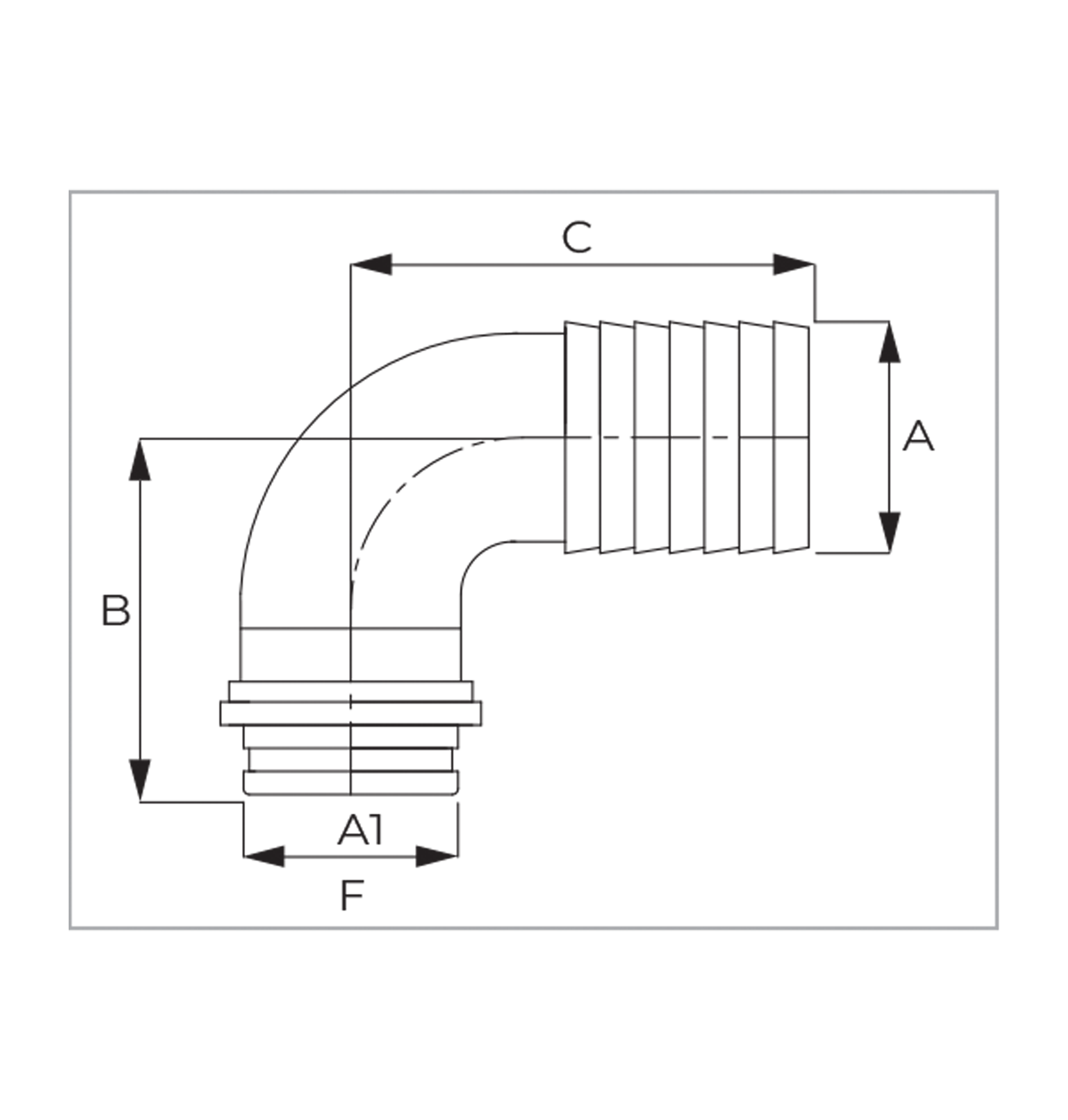
RACORD PORTAMANGUERAS CURVO 90° CON TUERCA FLOTANTE Y O-RING
|
Código |
F |
A (mm) |
A1 (mm) |
B (mm) |
C (mm) |
Tuerca |
Junta |
|
1011301P |
G 1/2” |
10 |
13,7 |
35 |
33 |
04011002 |
OR2001000 |
|
1011310P |
G 3/4” |
10 |
17,5 |
35,5 |
39,5 |
04011004 |
OR2621310 |
|
1011311P |
13 |
17,5 |
35,5 |
39,5 |
|||
|
1011314P |
20 |
17,5 |
38,5 |
45 |
|||
|
1011322P |
G 1” |
20 |
24,5 |
37 |
45 |
04011005 |
OR2622029 |
|
1011323P |
25 |
24,5 |
47 |
53 |
|||
|
1011332P |
G 1 1/4” |
25 |
31,5 |
51 |
53 |
04011006 |
OR2622665 |
|
1011334P |
32 |
31,5 |
53,5 |
60 |
|||
|
1011341P |
G 1 1/2” |
25 |
37,5 |
59,5 |
53 |
04011007 |
OR2623299 |
|
1011343P |
32 |
37,5 |
53,5 |
60 |
|||
|
1011346P |
40 |
37,5 |
64,5 |
84,5 |
|||
|
1011351P |
G 2” |
32 |
47 |
63 |
86 |
04011008 |
OR2623934 |
|
1011352P |
40 |
47 |
64 |
84,5 |
|||
|
1011354P |
50 |
47 |
75 |
89 |
|||
|
8012501P |
G 3″ |
76 |
75 |
83 |
125 |
8040501 |
G00001285 x2 |


